7-Segment Display Pinout, Codes, Working, Interfacing (2026)

- Advertisement -

7-Segment Display Pinout, Codes, Working, Interfacing (1)

A 7-segment display is commonly used in electronic display devices for decimal numbers from 0 to 9 and in some cases, basic characters. The use of light-emitting diodes (LEDs) in seven-segment displays made it more popular, whereas of late liquid crystal displays (LCD) have also come into use.

Electronic devices like microwave ovens, calculators, washing machines, radios, digital clocks, etc. to display numeric information are the most common applications. Let’s take a look at the seven display pinout to have a better understanding.

7-Segment Display Pinout

7-Segment Display Pinout, Codes, Working, Interfacing (2)

A seven-segment display is made of seven different illuminating segments. These are arranged in a way to form numbers and characters by displaying different combinations of segments.

- Advertisement -

7-Segment Display Pinout, Codes, Working, Interfacing (3)

The binary information is displayed using these seven segments. LED is a P-N junction diode that emits energy in the form of light, different from a standard P-N junction diode which emits in the form of heat.

Whereas LCD uses liquid crystal properties for displaying and does not emit light directly. These LEDs or LCDs are used to display the required numeral or alphabet.

7-Segment Display Types

There are basically 2 types of seven-segment LED displays:

7-Segment Display Pinout, Codes, Working, Interfacing (4)

1. Common Anode 7 Segment Display:

All the Negative terminals (Anode) of all the 8 LEDs are connected together. All the positive terminals are left alone.

2. Common Cathode 7 Segment Display:

All the positive terminals (Cathode) of all the 8 LEDs are connected together. All the negative thermals are left alone.

Seven-Segment Display Working

Seven-segment devices are generally made up of LEDs. These LEDs will glow when they are forward-biased. The intensity of the LEDs depends on the forward current.

So, a sufficient forward current has to be provided to these LEDs to glow with full intensity. This is provided by the driver and is applied to the seven segments.

7-Segment Display Codes

The below table shows the 0-9 codes for the seven-segment LED display.

Numberg f e d c b aHex code
01000000C0
11111001F9
20100100A4
30110000B0
4001100199
5001001092
6000001082
71111000F8
8000000080
9001000090

Table: Display numbers on a seven-segment display in common anode configuration

Things change for common cathode configuration.

Numberg f e d c b aHex Code
001111113F
1000011006
210110115B
310011114F
4110011066
511011016D
611111017D
7000011107
811111117F
910011114F

Table: Display numbers on a seven-segment display in common cathode configuration

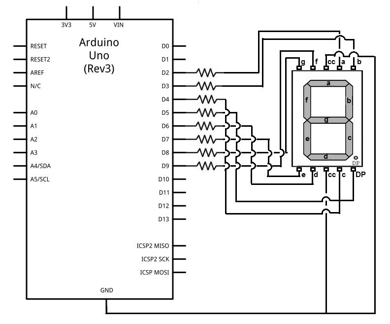
Below we are interfacing a 7-segment display to Arduino UNO for reference.

7-Segment Display Pinout, Codes, Working, Interfacing (5)

7-Segment Display-based Projects

  • Dice with seven segment display
  • Water level indicator

For more technical information, you can refer to the7-Segment Display Datasheet.

FAQs:

What is a 7-segment display?

A 7-segment display is a visual indicator used to display numerical digits and some characters. It consists of seven LED segments arranged in a specific pattern, with each segment representing one of the digits from 0 to 9.

How does a 7-segment display unit work?

Each segment in a 7-segment display is individually controlled to turn on or off. By selectively activating specific segments, you can form the desired digit or character. For example, to display the digit ‘5’, you would activate the segments necessary to create its visual representation.

How do I get a 7-segment display?

You can obtain a 7-segment display from electronics suppliers, online marketplaces, or local electronic component stores. They are available in various sizes, colors, and configurations to suit your project’s requirements.

What is the objective of a 7-segment display?

The main objective of a 7-segment display is to provide a simple and visually recognizable way to display numerical information. It’s commonly used in digital clocks, calculators, digital meters, and other applications where numerical data needs to be presented.

How does a 7-segment display work?

Each segment in a 7-segment display corresponds to a specific LED or segment, with the arrangement designed to form the digits 0 to 9 when activated in different combinations. By turning on the required segments, you create the desired number or character on the display.

Are seven-segment displays still in production?

Yes, seven-segment displays are still in production and widely used in various applications. They offer a cost-effective and straightforward solution for displaying numeric information and are often integrated into digital devices and electronic projects.

This article was first published on 29 December 2016 and recently updated on August 2023.

7-Segment Display Pinout, Codes, Working, Interfacing (2026)

FAQs

Which code is used in 7-segment display? ›

7-Segment Display Codes
Numberg f e d c b aHex code
6000001082
71111000F8
8000000080
9001000090
6 more rows
Aug 8, 2023

What is the IC code for 7-segment display? ›

In most practical applications, 7-segment displays are driven by a suitable decoder/driver IC such as the CMOS 4511 or TTL 7447 from a 4-bit BCD input.

How to know if 7 segment is cathode or anode? ›

7 Segment Displays
  1. If the device is common anode, there will be an anode pin which must be pulled to Vcc, and then any segment to be turned on must be pulled "low".
  2. If the device is common cathode, there will be an cathode pin which must be grounded, and then any segment to be turned on must be pulled "high".

What are the pins of a seven-segment display? ›

The 12 pins of the seven-segment display can be grouped into two types: segment pins and digit select (scan) pins. The current limiting resistors are to protect the LED in each of the segments. There are four digits and there are eight segments for each digit (including the decimal point).

What is 4 digit 7 segment coding? ›

The 4-digtal 7-segment display works independently. It uses the principle of human visual persistence to quickly display the characters of each 7-segment in a loop to form continuous strings. For example, when “1234” is displayed on the display, “1” is displayed on the first 7-segment, and “234” is not displayed.

How does 4026 IC work? ›

The circuit can be used as a clock. In this circuit the counter will advance after one minute or after every one second depending on the value of resistor selected. It can be used while cooking or while doing exercise or by students preparing for competitive exams.

What is the 7-segment display notation? ›

The seven elements of the display can be lit in different combinations to represent each of the Arabic numerals. The individual segments are referred to by the letters "a" to "g", and an optional decimal point (an "eighth segment", referred to as DP) is sometimes used for the display of non-integer numbers.

What is the chip for 7-segment display? ›

The CD4511 chip is essentially a BCD to 7-Segment decoder/driver IC, with which you can convert a binary number into a decimal number on the 7-segment display. For example, printing the number “2” on 7-segment display will require giving 0010 to the input pins (A,B,C,D) of the CD4511 chip.

Which circuit is used in 7 segments display? ›

The basic idea involves driving a common cathode 7-segment LED display using combinational logic circuit. The logic circuit is designed with 4 inputs and 7 outputs, each representing an input to the display IC. Using Karnough's map, logic circuitry for each input to the display is designed.

How to check if 7-segment display is working? ›

Checking 7-Segment Display
  1. Hold the display in your hand and identify pin 1.
  2. Now take the multimeter (assuming a red lead for positive and a black lead for negative) and set it to the proper continuity range.
  3. Check your meter with a sound test (touch both the leads together, and a sound will be produced).
Nov 22, 2017

How to know if anode or cathode? ›

Electrodes
  1. Anode: The anode is where the oxidation reaction takes place. In other words, this is where the metal loses electrons. ...
  2. Cathode: The cathode is where the reduction reaction takes place. This is where the metal electrode gains electrons.
Aug 29, 2023

How do you indicate anode and cathode? ›

Anode and cathode sign are positive and negative. A and K are the respective symbols of anode and cathode.

What is a 7-segment display alphabet codes? ›

It is made up of seven segments labeled as (a,b,c,d,e,f,g) which are placed in a specific pattern, where each segment represents a different part of the number.

Which is better, common anode or cathode? ›

In common anode mode, the LED display provides RGB LEDs with a unified voltage higher than 3.8V (such as 5V), therefore the power consumption is high. In common cathode mode, the LED display provides RGB LEDs with separate voltage based on actual needs (2.8V for the red LED, and 3.8V for the green and blue LEDs).

How to display numbers on 7-segment display? ›

Working of Seven Segment Displays:

each display unit is usually has a dot point (DP). The display point could be located either towards the left or towards the right of the display pattern. This type of pattern can be used to display numerals from 0 to 9 and letters from to F hexadecimal digits.

Which elements are used in 7-segment display? ›

Seven-segment displays may use a liquid crystal display (LCD), a light-emitting diode (LED) for each segment, or other light-generating or control techniques such as cold cathode gas discharge (Panaplex), vacuum fluorescent, incandescent filaments (Numitron), and others.

What is 7-segment display method? ›

A seven-segment display is a form of electronic display device for displaying decimal numerals that is an alternative to the more complex dot matrix displays. Seven-segment displays are widely used in digital clocks, electronic meters, basic calculators, and other electronic devices that display numerical information.

What is BCD to 7-segment display? ›

A digital or binary decoder is a digital combinational logic circuit which can convert one form of digital code into another form. BCD to 7-segment display decoder is a special decoder which can convert binary coded decimals into another form which can be easily displayed through a 7-segment display.

Top Articles
Latest Posts
Recommended Articles
Article information

Author: Kareem Mueller DO

Last Updated:

Views: 5897

Rating: 4.6 / 5 (66 voted)

Reviews: 89% of readers found this page helpful

Author information

Name: Kareem Mueller DO

Birthday: 1997-01-04

Address: Apt. 156 12935 Runolfsdottir Mission, Greenfort, MN 74384-6749

Phone: +16704982844747

Job: Corporate Administration Planner

Hobby: Mountain biking, Jewelry making, Stone skipping, Lacemaking, Knife making, Scrapbooking, Letterboxing

Introduction: My name is Kareem Mueller DO, I am a vivacious, super, thoughtful, excited, handsome, beautiful, combative person who loves writing and wants to share my knowledge and understanding with you.